Tohatsu

Tohatsu

Insugspackningar till din Tohatsu / Nissan 

Parts list  HÄR  för rätt del.

Läs mer
  • Insugspackning motorblock Tohatsu MFS 2,5 - MFS 3,5  hk,  4-takt Samma som M...
    Art nr. 3AB-02104-0
    108,19 SEK
  • Insugspackning motorsida Tohatsu MFS 4 - MFS 6 hk,  4-takt Samma som Mercury...
    Art nr. 3H6-02104-0
    88,88 SEK
  • Insugspackning motorsida  Tohatsu MFS 8 - MFS 9,8  hk,  4-takt förgasarmodell...
    Art nr. 3V1-02104-0
    115,93 SEK
  • Insugspackning motorsida Tohatsu MFS 9,9 B2 - MFS 18 B2,  4-takt.
    Art nr. 3R3-02104-1
    142,96 SEK
  • Insugspackning motorsida Tohatsu MFS 9,9 C + D - MFS 20 C + D,  4-takt Samma...
    Art nr. 3BJ-02104-0
    100,46 SEK
  • Insugspackning motorsida Tohatsu MFS 25 A - MFS 30 A,  4-takt Samma som Merc...
    Art nr. 3R0-02104-0
    154,56 SEK
  • Insugspackning o-ring motorsida Tohatsu  MFS 25 B + C - MFS 30 B + C,   4-tak...
    Art nr. 3AC-02012-0
    30,91 SEK
  • Insugspackning o-ring motorsida  Tohatsu MFS 40 A - MFS 50 A,  4-takt  6 st ...
    Art nr. 3KY-02012-0
    88,88 SEK
  • Avgaspackning Tohatsu MFS 9,9 EFI - MFS 20 EFI,  4-takt Samma som Mercury ar...
    Art nr. 3RS-02305-0
    193,20 SEK
  • Avgaskylpackning Tohatsu M 60 B + C - M 70 B + C, 2-takt 2 åtgår per motor ...
    Art nr. 3F3-02305-2
    262,75 SEK
  • Packning avgasplatta Tohatsu 9,8 B, 2-takt Samma som Mercury art 803663031, ...
    Art nr. 3K9-02305-2
    162,29 SEK
  • Packning avgasplatta Tohatsu 6 B - 8 B, 2-takt Samma som Mercury art 8036630...
    Art nr. 3B2-02305-2
    224,11 SEK
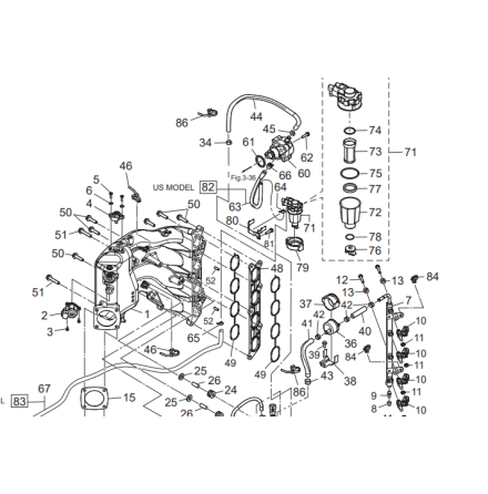
  • Insugspackning Tohatsu MFS 60 A, 4-takt Nr 10 i bild, 2 åtgår per motor
    Art nr. 3UR-02012-0
    266,61 SEK
  • Insulator insug Tohatsu MFS 60 A, 4-takt Nr 9 i bild.
    Art nr. 3UR-03952-0
    340,04 SEK
  • Packning vent/breather Tohatsu MFS 4  B + C + D - MFS 6  B + C + D, 4-takt N...
    Art nr. 3AS-07432-0
    57,96 SEK
  • Avgaspackning Tohatsu MFS 40 A - MFS 60 A, 4-takt Nr 12 i bild
    Art nr. 3KY-02305-0
    415,00 SEK
  • Insulator Tohatsu MFS 40 A - MFS 50 A, 4-takt Nr 9 i bild
    Art nr. 3KY-03952-0
    216,39 SEK
  • Insugspackning, trottelhus, Tohatsu MFS 40 A - MFS 60 A, 4-takt Nr 10 i bild
    Art nr. 3KY-10104-0
    100,46 SEK
  • Packning "avgasrör" Tohatsu MFS 75 A - MFS 140 A, 4-takt.  Nr 59 i bild.
    Art nr. 3SS-02335-0
    540,96 SEK
  • Packning "avgasrör" Tohatsu MFS 75 A - MFS 140 A, 4-takt.  Nr 60 i bild.
    Art nr. 3UG-02335-0
    382,54 SEK
  • Insugspackning Tohatsu MFS 75 A - MFS 140 A, 4-takt Nr 49 i bild, 2 åtgår pe...
    Art nr. 3SS-02012-0
    278,21 SEK
  • Avgaskylpackning Tohatsu M 40 C, 2-cyl 2-takt, 493 cc
    Art nr. 345-02305-1
    119,79 SEK
  • Packning avgaskylplatta Tohatsu M 90 A, 2-takt 2 st behövs per motor
    Art nr. 3B7-02305-2
    355,49 SEK
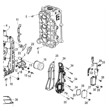
  • Packning avgaskylplatta Tohatsu MFS 25 D - MFS 30 D, 500 cc, 4-takt Nr 25 i ...
    Art nr. 1BM-02305-0
    270,48 SEK
  • Avgaskylpackning Tohatsu MFS 8 - MFS 9,8 hk, 209 cc Nr 10 i bild 2 Samma so...
    Art nr. 3V1-02305-0
    139,10 SEK
  • Packning avgas Tohatsu MFS 4 - MFS 6 hk, 4-takt Nr 16 i bild 2 Samma som Me...
    Art nr. 3H6-02305-0
    139,10 SEK
  • Avgaskylpackning Tohatsu M 25 C - M 30 A, 430 cc 2-takt  Nr 17 i bild 2 Sam...
    Art nr. 346-02305-2
    197,06 SEK
  • Packning avgaskylning Tohatsu MFS 9,9 B+C+D - MFS 18 B - MFS 20 C+D, 4-takt ...
    Art nr. 3R3-02305-0
    224,11 SEK
  • Packning insug Tohatsu M 90 A, 2-takt Se sprängskiss för rätt del, 3 st åtgå...
    Art nr. 346-02414-2
    119,79 SEK
  • Packning insug Tohatsu M 120 - M 140 hk, 2-takt Se sprängskiss för rätt del
    Art nr. 3C7-02414-2
    243,44 SEK
  • Tätning insug Tohatsu M 60 B+C - M 70 B+C, 2-takt Nr 5 i bild
    Art nr. 3F3-02418-0
    166,15 SEK