• Nedre växelstång, kort rigg, Mercury 6 - 9,8 hk, 169 cc 2-takt Nr 3 i bild Samma som Tohatsu art 3B2-66012-0
    Art nr. 8037602
    180,28 SEK
  • Nedre växelstång, lång rigg, Mercury 6 - 9,8 hk, 169 cc 2-takt Nr 3 i bild Samma som Tohatsu art 3B2-66013-0
    Art nr. 8037603
    193,21 SEK
  • Bult Mercury, håller förgasare på 4 - 5 hk, 102 cc och 6 - 9,8 hk, 169 cc 2-takt samt F 4 - F 6 hk, 123 cc 4-takt flera modeller Håller även bladventilshus på 40...
    Art nr. 855809003
    30,91 SEK
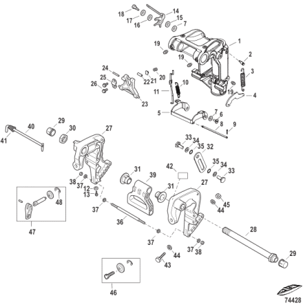
  • Bult riggbyglar Mercury 2,5 - 9,8 hk, 2-takt och F 2,5- F 6 hk, 4-takt flera modeller Se sprängskiss för rätt del Nr 2 i bild 2 Ers art 95373
    Art nr. 898101337
    136,28 SEK
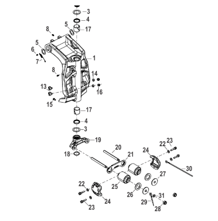
  • Bracket Mercury 4 - 5 hk, 2-takt 102 cc Nr 16 i bild, både för och akterdel ingår Samma som Tohatsu art 369Q62391-2, förlig del och art 393Q62392-1, aktre del
    Art nr. 813029T1
    1 042,24 SEK
  • Bussning rigg Mercury 4 - 5 hk, 2-takt 102 cc Nr 22 i bild, 2 st halvor åtgår per motor Samma som Tohatsu art 369-62422-0
    Art nr. 16204
    50,89 SEK
  • Bricka Mercury, sitter i rigg på flera 2-takt och 4-takt 2,5 - 20 hk Se sprängskiss för rätt del och antal Nr 4 i bild som visar 3,3 hk 2-takt Samma som Tohats...
    Art nr. 95375
    14,81 SEK
  • Skruv Mercury, låser gummit på rorkult flera mindre modeller 2-takt och 4-takt Nr 12 i bild Se sprängskiss för rätt del Samma som Tohatsu art 920813-0518
    Art nr. 16094
    14,68 SEK
  • Pinbult rorkult flera mindre modeller 2-takt och 4-takt Nr 18 i bild 2 Se sprängskiss för rätt del och antal Samma som Tohatsu art 3B2-63104-1
    Art nr. 815028
    33,79 SEK
  • Hållare/stopp gas/rorkult Mercury 4 - 5 hk, 102 cc, 2-takt Nr 17 i bild 2 Samma som Tohatsu art 369-63103-1
    Art nr. 16084
    133,38 SEK
  • Bleck/låsning flera mindre modeller 2-takt och 4-takt Nr 13 i bild 2 Se sprängskiss för rätt del och antal Samma som Tohatsu art 3B2-63063-0
    Art nr. 16338
    15,68 SEK
  • Växelstång, övre, Mercury 4 - 5 hk, 102 cc 2-takt samt F 4 - F 6 hk, 123 cc t.o.m nr 0R411837, 4-takt Tohatsumodeller lång rigg Nr 9 i bild Samma som Tohatsu ar...
    Art nr. 16187
    181,71 SEK
  • Växelstång, nedre, Mercury 4 - 5 hk, 102 cc 2-takt samt F 4 - F 6 hk, 123 cc, 4-takt kort rigg Nr 13 i bild Ers art 16173 Samma som Tohatsu art 369-66012-1
    Art nr. 8M0044705
    243,66 SEK
  • Växelstång, nedre, Mercury 4 - 5 hk, 102 cc 2-takt samt F 4 - F 6 hk, 123 cc, 4-takt lång rigg Nr 13 i bild Ers art 16174 Samma som Tohatsu art 369-66013-1
    Art nr. 8M0058365
    145,78 SEK
  • Tätning vapor Mercury F 8 EFI - F 9,9 EFI, 209 cc 4-takt Samma som Tohatsu art 31H-10180-0
    Art nr. 8M0223393
    287,84 SEK
  • Chokearm Mercury 25 - 30 hk, 430 cc 2-takt Nr 30 i bild 2 Samma som Tohatsu art 346-67152-0
    Art nr. 853725
    39,96 SEK
  • Rigg/upphängningsbygel styrbord Mercury 25 - 30 hk, 430 cc 2-takt Nr 1 i bild  Ers art 8M0047037, 9622T02, 96222 Samma som Tohatsu art 3AEQ62112-2
    Art nr. 8M0145387
    1 334,20 SEK
  • Rigg/upphängningsbygel babord Mercury 25 - 30 hk, 430 cc 2-takt Nr 2 i bild Ers art 96232, 9623T02, 8M0047051 Samma som Tohatsu art 3AEQ62113-2
    Art nr. 8M0145388
    2 516,31 SEK
  • Bussning Mercury, sitter i rigg/tilt på flera modeller 2-takt och 4-takt Nr 64 i bild 2, som visar F 15 Se sprängskiss för rätt del och antal Samma som Tohatsu...
    Art nr. 898103107
    24,59 SEK
  • Hållare tiltstopp manuell tilt Mercury 25 - 30 hk, 430 cc och 40 - 50 hk, 697 cc, 2-takt samt F 25 SeaPro 492 cc, 4-takt Nr 17 i bild 2 Ers art 162101 Samma so...
    Art nr. 879194006
    78,64 SEK
  • Bygel backspärr Mercury 25 - 30 hk, 430 cc 2-takt samt F 25 SeaPro, 492 cc, 4-takt Nr 23 i bild 2 Samma som Tohatsu art 349-66313-0
    Art nr. 162132
    343,00 SEK
  • Backspärr Mercury 25 - 30 hk, 430 cc 2-takt samt F 25 SeaPro 492 cc, 4-takt Nr 27 i bild 2 Samma som Tohatsu art 346-66322-0
    Art nr. 162131
    458,44 SEK
  • Pin/stång som håller backspärr Mercury 25 - 30 hk, 430 cc 2-takt samt F 25 SeaPro 492 cc och F 25 - F 30 hk, 500 cc, 4-takt Nr 28 i bild 2 Samma som Tohatsu art...
    Art nr. 8537474
    64,69 SEK
  • O-ring övre vevaxeltätning Mercury 9,9 - 18 hk, 247 cc och 25 - 30 hk, 430 cc, 2-takt Nr 22 i bild 2 Samma som Tohatsu art 338-01403-0
    Art nr. 853709
    28,33 SEK
  • Totalt 8311 poster
    Sida 288 av 347