- Hem »
- Reservdelar
- » Powertrim/rigg
- » Mercury
- » Pinbult Mercury
Beskrivning
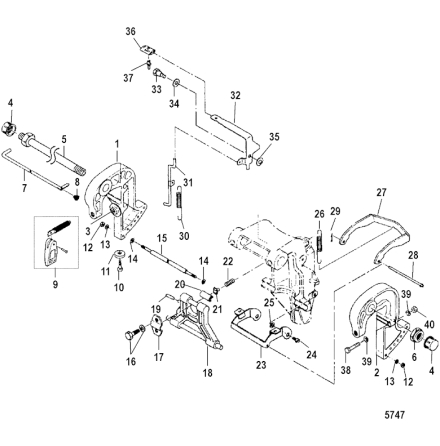
Pinbult Mercury 40 - 50 hk, 697 cc, 2-takt t.o.m nr 0N056164, dvs äldre modellen
Sitter i rorkultsfäste, 2 st åtgår per motor
samt i 9,9 - 18 hk, 247 cc, 2-takt
Nr 25 i bild 2
Ers art 811654002 och 8537181
Samma som Tohatsu art 9152E3-0845 Tohatsu M 40 D - M 50 D, ej D2 och M 9,8 - M 18.
Se sprängskiss för rätt del
M 8 x 45
Specifikationer
Omdöme
Lämna ett omdöme
Omdöme (0)
Dela
Blogga om
Dokument
Andra produkter från samma kategori
-
Tiltstopp Mercury 25 - 30 hk, 430 cc 2-takt samt F 25 - F 30 hk, 500 cc och 5...Art nr. 8M01571311 151,74 SEK
-
Bult för låslänk tilt Mercury F 8 - F 9,9 hk, 4-takt 209 cc Tohatsumodell Nr...Art nr. 89517054,93 SEK
-
Fjäder rigg Mercury Avator 7,5 E - 20 E - 30 E elmotor Se sprängskiss för rä...Art nr. 8M020446551,86 SEK
-
Bricka, yttre, motorbussning, nedre, Mercury V 6 och V 8, 4-takt flera modell...Art nr. 815432125,54 SEK